 |
|
 |
18912697778
0512-36835598
Ks05126@163.com
0512-57325659
苏州市昆山陆家镇裕利路76号
|
 |
|
|
| 当前位置:首页 > 技术支持 > 新闻中心 |
| 板料展开计算经验公式 |
| 发布人:苏州密特科精密机械有限公司 发布时间:2016/12/30 14:39:35 阅读次数:1046 |
计算弯曲件的展开长度就是计算弯曲件的中性层的长度,在塑性变形时,中性层向弯曲件的内侧移动,如图4-4所示,此时计算中性层半径的大小可按下式计算:
ρ = r + kt
式中 ρ—中性层半径(mm);
r—弯曲内半径(mm);
k—中性层位置系数,见表4-1;
t—材料厚度;

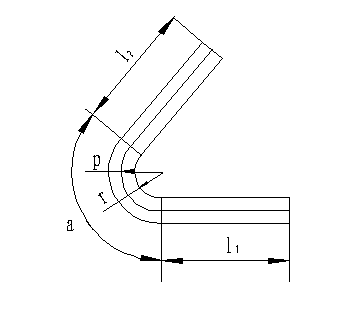
1、当r>0.5t 时的弯曲件长度
当r>0.5t 时,弯曲件变形时的厚度基本不变,可以按中性 层展开长度计算弯曲件长度。弯曲件长度包括直线部分和圆弧部
图4-5r>0.5t 时的弯曲件长度
分长度之和如图4-5所示,即
L= l1 + L2 +(πα/180)ρ
= l1 + L2 +(πα/180)(r+kt)
式中 L——弯曲件展开总长度(mm);
α——弯曲中心角(度)
2、当r<0.5t时的弯曲长度。
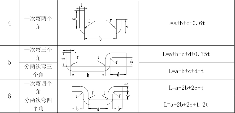
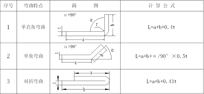
当r<0.5t时,弯曲件变形时的厚度会变薄,这使得弯曲件的长度发生变化,此时计算弯曲件的展开长度,可以按表4-2中的计算公式进行计算。
|
| 【返回】 |
|
|